Isoleret HART temperaturkonverter

3113

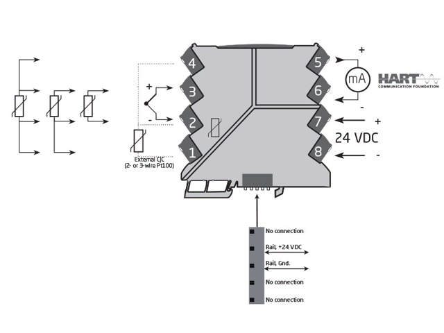
Pt100/TC J+K indgang, 4...20 mA udgang, isoleret indgang/udgang/forsyning, forsyning via power rail / terminaler
  • Høj nøjagtighed, bedre end 0,05% af span
  • Slimline 6,1 mm hus
  • Høj EMC-performance
  • Valgbar 60 ms / 60 s reaktionstid
  • For-kalibrerede temperaturområder kan vælges via DIP-switche

Forsyning

Bemærk: Produkter fra webshoppen leveres med standardopsætning.

Performance
made smarter

Ved at klikke på »Accepter alt« accepterer du, at vi kan indsamle oplysninger om dig til forskellige formål, herunder: Statistik og markedsføring