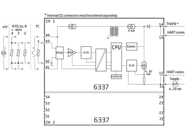
2-tråds HART 7 transmitter

6337A

RTD/TC/Lin. R/mV indgang, loop-forsynet 4...20 mA udgang, isoleret, DIN-skinne, 1 kanal
  • 1- eller 2-kanals konverter for RTD-, TC-, Ohm- og bipolar mV-signaler
  • 2 analoge indgange og 5 enhedsvariabler med statussignal
  • HART-protokolrevision kan vælges som HART 5 eller HART 7
  • Hardware-assessed for anvendelse i SIL-applikationer
  • Kan monteres på DIN-skinne i sikkert område eller i Zone 2 / 22

Kanaler

Bemærk: Produkter fra webshoppen leveres med standardopsætning.

Performance
made smarter

Ved at klikke på »Accepter alt« accepterer du, at vi kan indsamle oplysninger om dig til forskellige formål, herunder: Statistik og markedsføring