Power control unit

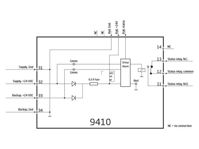
9410

Distribution af 24 V/4 A til power rail samt kollektiv alarmsignal kontroller
  • Distribuerer forsyningsspænding til power rail
  • Mulighed for tilslutning af backupforsyning
  • Godkendt til installation i Ex-zone 2 /Div. 2
  • Mulighed for redundant forsyning til power rail
  • Skal installeres på power rail, PR type 9400

I.S.- / Ex-godkendelser

Bemærk: Produkter fra webshoppen leveres med standardopsætning.

Performance
made smarter

Ved at klikke på »Accepter alt« accepterer du, at vi kan indsamle oplysninger om dig til forskellige formål, herunder: Statistik og markedsføring