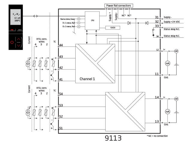
Temperatur- / mA-konverter

9113B

Ex RTD/TC/mA indgang, mA udgang, SIL 2, isoleret, 1 kanal
  • Indgang for RTD, TC og mA
  • Aktiv / passiv mA-udgang på de samme forbindelsesklemmer
  • 1 eller 2 kanaler
  • Kan forsynes separat eller installeres på power rail, PR type 9400
  • SIL 2-certificeret via Full Assessment

Kanaler

I.S.- / Ex-godkendelser

Bemærk: Produkter fra webshoppen leveres med standardopsætning.

Performance
made smarter

Ved at klikke på »Accepter alt« accepterer du, at vi kan indsamle oplysninger om dig til forskellige formål, herunder: Statistik og markedsføring