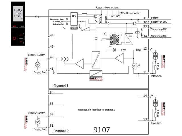
HART-transparent driver

9107B

Ex udgang, 4...20 mA HART-transparent, SIL 2, isoleret, 1 kanal
  • 24 VDC forsyning via power rail eller klemmer
  • Hurtig reaktionstid <5 ms
  • Høj aktiv udgangsbelastning på 725 Ohm / 20 mA
  • Detektering ved fejl på udgangen via statusrelæ
  • SIL 2-certificeret via Full Assessment iht. IEC 61508

Kanaler

I.S.- / Ex-godkendelser

Bemærk: Produkter fra webshoppen leveres med standardopsætning.

Performance
made smarter

Ved at klikke på »Accepter alt« accepterer du, at vi kan indsamle oplysninger om dig til forskellige formål, herunder: Statistik og markedsføring